AE. Racing Club
21 กุมภาพันธ์ 2569 08:26:31 *
ยินดีต้อนรับคุณ, บุคคลทั่วไป กรุณา เข้าสู่ระบบ หรือ ลงทะเบียน
ส่งอีเมล์ยืนยันการใช้งาน?

เข้าสู่ระบบด้วยชื่อผู้ใช้ รหัสผ่าน และระยะเวลาในเซสชั่น
 
   หน้าแรก   ช่วยเหลือ ค้นหา เข้าสู่ระบบ สมัครสมาชิก  
หน้า: [1] 2  »    ลงล่าง
  พิมพ์  
ผู้เขียน หัวข้อ: มีใครใช้ฝาดำ แบบมีแวคคั่มแอร์ (ไม่ได้ต่อเข้ากล่อง) บ้างครับ  (อ่าน 21736 ครั้ง)
0 สมาชิก และ 1 บุคคลทั่วไป กำลังดูหัวข้อนี้
lotto
มือเก่าหัดแข่ง
***
ออฟไลน์ ออฟไลน์

เพศ: ชาย
กระทู้: 215


4A-GE 20V Blacktop 5MT LSD


ดูรายละเอียด
« เมื่อ: 21 พฤศจิกายน 2552 09:47:23 »

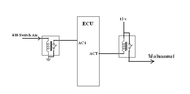
วันนี้ผมขอเสนอวิธีกำจัดแวคคั่มแอร์ทิ้ง  

เนื่องจากวันก่อนไปอ่าน http://www.weekendhobby.com/offroad/toyota/question.asp?page=1&id=23191 เจอวิธีการต่อขั้ว ac1 และ act จากกล่องเพื่อให้มันเร่งรอบชดเชยเวลาเปิดแอร์แบบไม่ต้องใช้กล่องแอร์ตามนี้



อ่านเสร็จ คืนนั้นเลยคัน คว้าเครื่องมือไปแงะคอนโซล ไล่ตำแหน่งขา ac1 กับ act ที่ ecu ตามรูป



หลักการทำงานของมันก็คือ สถานะปกติ ที่ทั้งขั้ว ac1 และ act จะวัดได้ +12v ทั้งคู่ เมื่อเอา ac1 จิ้มลงกราวน์ ecu จะรับรู้ว่าเปิดแอร์แล้วนะ แล้วก็จะเร่งรอบเครื่องให้พร้อมกับตัดไฟที่ขั้ว act ออกให้คอมแอร์ทำงาน (มันจะพึลึกๆ หน่อย)

โดยผมทดลองคือเอา ac1 จิ้มลงกราวน์ พระเจ้าจอร์จ ! มันเด้งขึ้นมาจริงๆ หุหุ เสร็จตูแน่ๆ  

แล้วจัดการเอามิเตอร์มาวัดที่ act ดู ซึ่งก็ได้ผลคือเมื่อไม่จิ้ม ac1 ลงกราวน์ก็จะมี -12v ออกมา แต่ถ้าจิ้มก็จะไม่มี (ตัดวงจรเลย)

คืนนั้นเลยนอนแบบกระสับกระส่าย (คันเต็มที่)   ตอนเช้าไม่รีรอ วิ่งเข้าทำต่อทันที โดยผมไปไล่ที่ขั้วต่อแอร์แทน เท้าความนิดนะครับ เครื่องเดิมผมเป็น 2e ไม่มีกล่องอย่างเดียวกะ 4a-fe แต่มันจะมีกล่องประมาณนี้ครับ เท่าที่เปิดดูมีอุปกรณ์นิดเดียว คงไว้คุมพวกอุณหภูมิตัดต่อแอร์อย่างเดียว



เดี๋ยวตอนบ่ายมาต่อนะครับ ไปข้างนอกก่อน  
« แก้ไขครั้งสุดท้าย: 22 พฤศจิกายน 2552 22:34:19 โดย lotto » บันทึกการเข้า

เราก็แค่ 1600 เค้าแรงกว่าก็แซงไปเต๊อะ
lotto
มือเก่าหัดแข่ง
***
ออฟไลน์ ออฟไลน์

เพศ: ชาย
กระทู้: 215


4A-GE 20V Blacktop 5MT LSD


ดูรายละเอียด
« ตอบ #1 เมื่อ: 22 พฤศจิกายน 2552 00:17:35 »

ต่อกันครับ

สัญญาณที่ผมเล็งว่าจะเอามาเข้าที่ขั้ว ac1 ก็คือสัญญาณเดิมที่วิ่งไปเข้าแวคคั่มแอร์ เมื่อเอามิเตอร์วัดจะได้ประมาณนี้



- สายดำคาดแดง มีไฟ +12v เมื่อเปิดสวิทช์พัดลมแอร์ (ตอนคอมไม่ทำงานก็มี +12v มา)
- สายน้ำเงินคาดเหลือง มีไฟ -12v เมื่อคอมทำงาน

ซึ่งสัญญาณจากสายน้ำเงินคาดเหลืองก็เข้าทางเลย เพราะเราต้องการ -12v ไปเข้าที่ ac1 เวลาจะให้เร่งรอบ โดยผมลองไล่ที่กล่องแอร์ก็เจอสายเส้นนี้ ก็จัดการจั้มสายเส้นนี้ลองเข้าที่ ac1 ซะ แล้วถอดสายเข้าแวคคั่มแอร์ออก

ผลที่ได้ หุหุ กล่องก็สั่งเร่งรอบ เมื่อคอมทำงานแล้วครับ

ซึ่งถ้าใครขี้เกียจทำต่อ ทำถึงจุดนี้ก็พอแล้วก็ได้ครับ แต่ถ้าท่านทำต่อท่านจะได้สัญญาณตัดต่อคอมแอร์ผ่านกล่องเครื่อง ซึ่งจะตัดคอมแอร์เมื่อเร่งกะทันหัน, ตัดคอมแอร์เมื่อตอนติดเครื่อง เป็นต้นครับ

พรุ่งนี้ ต่ออีกภาคครับ
« แก้ไขครั้งสุดท้าย: 22 พฤศจิกายน 2552 22:54:16 โดย lotto » บันทึกการเข้า

เราก็แค่ 1600 เค้าแรงกว่าก็แซงไปเต๊อะ
ガレージ7 タカラショップ¥¥¥んーーーー
นักแข่งมืออาชีพอาวุโส
********
ออฟไลน์ ออฟไลน์

เพศ: ชาย
กระทู้: 5,265


アンパンマン


ดูรายละเอียด เว็บไซต์
« ตอบ #2 เมื่อ: 22 พฤศจิกายน 2552 00:50:06 »

รอตามชมนะครับ
บันทึกการเข้า

•—ชๅ€lxล้ๅต้ม<NC.Z>
นักแข่งมืออาชีพอาวุโส
********
ออฟไลน์ ออฟไลน์

เพศ: ชาย
กระทู้: 3,569



ดูรายละเอียด
« ตอบ #3 เมื่อ: 22 พฤศจิกายน 2552 01:07:08 »

ทำหั้ยผมด้วยสิครับ
บันทึกการเข้า

http://www.facebook.com/#!/profile.php?id=100000603573246
ガレージ7 タカラショップ¥¥¥んーーーー
นักแข่งมืออาชีพอาวุโส
********
ออฟไลน์ ออฟไลน์

เพศ: ชาย
กระทู้: 5,265


アンパンマン


ดูรายละเอียด เว็บไซต์
« ตอบ #4 เมื่อ: 22 พฤศจิกายน 2552 01:26:20 »

สงสัยว่า มันจะชดเชยรอบได้ทันกับหน้าคลัชคอมแอร์หรือ
รอบจะต้องตกมาก่อนขึ้น หรือว่าขึ้นก่อน

เพราะจริงแล้วต่อกล่องมันจะเป็นตัวหน่วงสัญญาณ ให้ เร่งรอบก่อนหน้าคลัชทำงาน

ลองดูครับ เดียวมาต่อกัน 
บันทึกการเข้า

t_13
นักแข่งมืออาชีพอันดับหนึ่ง
*******
ออฟไลน์ ออฟไลน์

เพศ: ชาย
กระทู้: 1,924


AE พลัง เค อิอิ


ดูรายละเอียด
« ตอบ #5 เมื่อ: 22 พฤศจิกายน 2552 02:06:46 »

ต่อ ac1 ลงกราว มันใช้ได้ครับ แต่ ก็ จะ ดี ไม่ เท่า กล่องแอมปริฟายแอร์ครับ แต่ก็ ช่วยได้ ครับ เหมาะ สำหรับ เครื่องคาบู ที่ กล่องแอม ไม่เหมือน กับ พวก สี่เอเฟอีครับ หรือ สำหรับ คนที่ ใช้ กล่องแอร์ธรรมดาที่ร้านแอร์ ต่อ มา เพื่อ คุม อุนหภูมิ อย่างเดียวครับ   ส่วน act คง ลำบากครับ เพราะ จิง ๆๆ แล้ว ตัวแปลมันเยอะครับ เพราะ ถ้า ตัด บ่อย ๆๆ มันก็ ไม่ เย็น นะ ครับ เท่า ที่ เคยลอง
บันทึกการเข้า

TOYO_DA Huh?
arTO-TRD
นักแข่งมืออาชีพอาวุโส
********
ออฟไลน์ ออฟไลน์

เพศ: ชาย
กระทู้: 12,360



ดูรายละเอียด
« ตอบ #6 เมื่อ: 22 พฤศจิกายน 2552 06:47:22 »

2E to 20V เหมือนกัน  มาปูเสื่อรอ ชม งิงิ

และเป็นกำลังใจคั๊ป

แต่คงทำตามไม่ได้ซ่ะแล้วคั๊ป เพราะ ผมแปลงใช้เทอร์โมไปป้าไปซ่ะแล้วตั๊ป แหะๆ เอาง่ายๆไปก่อนเดียวมีเวลา

ค่อยลง กทม. รื้อทีเดียว อิอิ
บันทึกการเข้า
t_13
นักแข่งมืออาชีพอันดับหนึ่ง
*******
ออฟไลน์ ออฟไลน์

เพศ: ชาย
กระทู้: 1,924


AE พลัง เค อิอิ


ดูรายละเอียด
« ตอบ #7 เมื่อ: 22 พฤศจิกายน 2552 10:54:45 »

2E to 20V เหมือนกัน  มาปูเสื่อรอ ชม งิงิ

และเป็นกำลังใจคั๊ป

แต่คงทำตามไม่ได้ซ่ะแล้วคั๊ป เพราะ ผมแปลงใช้เทอร์โมไปป้าไปซ่ะแล้วตั๊ป แหะๆ เอาง่ายๆไปก่อนเดียวมีเวลา

ค่อยลง กทม. รื้อทีเดียว อิอิ

ต่อแบบ ใช้ เทอร์โม ก็ ได้ ครับ เพียง แค่ เอา รีเล มา หนึ่งตัว เอา สายไฟ บวกจาก เทอโมมา เข้ารีเล ขา 85 ขารีเล 86 ลงกลาวไว้ แล้ว ลาก สายไฟจาก ac1 มาเข้าขารีเล 30 ขารีเล 87 ลงกราว  แค่นี้ ก็ใช้ ได้แล้ว ครับ   ลองดู ครับ

บันทึกการเข้า

TOYO_DA Huh?
ガレージ7 タカラショップ¥¥¥んーーーー
นักแข่งมืออาชีพอาวุโส
********
ออฟไลน์ ออฟไลน์

เพศ: ชาย
กระทู้: 5,265


アンパンマン


ดูรายละเอียด เว็บไซต์
« ตอบ #8 เมื่อ: 22 พฤศจิกายน 2552 11:17:25 »

2E to 20V เหมือนกัน  มาปูเสื่อรอ ชม งิงิ

และเป็นกำลังใจคั๊ป

แต่คงทำตามไม่ได้ซ่ะแล้วคั๊ป เพราะ ผมแปลงใช้เทอร์โมไปป้าไปซ่ะแล้วตั๊ป แหะๆ เอาง่ายๆไปก่อนเดียวมีเวลา

ค่อยลง กทม. รื้อทีเดียว อิอิ

ต่อแบบ ใช้ เทอร์โม ก็ ได้ ครับ เพียง แค่ เอา รีเล มา หนึ่งตัว เอา สายไฟ บวกจาก เทอโมมา เข้ารีเล ขา 85 ขารีเล 86 ลงกลาวไว้ แล้ว ลาก สายไฟจาก ac1 มาเข้าขารีเล 30 ขารีเล 87 ลงกราว  แค่นี้ ก็ใช้ ได้แล้ว ครับ   ลองดู ครับ



ของฝาดำ รุ่นใหม่


ของเครื่องรุ่นเก่า ใช้ VSV


ทำได้แต่ระบบแอร์ไม่สมบูรณ์ครับ และอีกอย่างนะครับ การดึงสัญญาณบ้างอย่างออกมา มีผลต่อการประมวลผลของ ECU ด้วยนะครับ ต้องระวัง สัญญาณที่สูญเสียด้วยนะครับ
แนะนำให้ต่อแบบ ระบบของมันเดิมๆ ดีกว่าครับ  เดียวนี้ กล่อง 1 ราคาประมาณ 1000 บาทเอง
ทำงานรับ-ส่ง ประมวลผลทั้ง รอบ การตัด การเร่ง ได้หมด ดีกว่าเยอะครับ จะไปแปลงทำมัยครับ  ถ้าแปลงแล้วดีกว่าของโรงงานนะ โรงงานมันคงไม่ติดตั้งมาให้หรอกครับ ผลิตมาทำมัยในเมือไจเป็น

บันทึกการเข้า

lotto
มือเก่าหัดแข่ง
***
ออฟไลน์ ออฟไลน์

เพศ: ชาย
กระทู้: 215


4A-GE 20V Blacktop 5MT LSD


ดูรายละเอียด
« ตอบ #9 เมื่อ: 22 พฤศจิกายน 2552 11:31:28 »

สงสัยว่า มันจะชดเชยรอบได้ทันกับหน้าคลัชคอมแอร์หรือ
รอบจะต้องตกมาก่อนขึ้น หรือว่าขึ้นก่อน

เพราะจริงแล้วต่อกล่องมันจะเป็นตัวหน่วงสัญญาณ ให้ เร่งรอบก่อนหน้าคลัชทำงาน

ลองดูครับ เดียวมาต่อกัน 

ไม่ทันครับ มันจะตกลงไปนิดๆ ราวๆ ครึ่งวินาทีแล้วเด้งขึ้นมา เดี๋ยวจะถ่ายมาให้ดูกันครับ

ตอนติดเครื่องใหม่ๆ แล้วเปิดแอร์มีอาการเร่งเยอะเกินไปนิด อยู่ 1200 รอบแล้วค่อยๆ ลงมาเอง พอขับๆ ไปก็หาย

แต่ตอนนี้คงต้องแบบนี้ไปก่อน สาเหตุจากผมไปเปลี่ยนคอมแอร์แบบไม่มีวัดรอบมาครับ ไม่งั้นหากล่องแอร์แท้ๆ มาใส่แน่ๆ
บันทึกการเข้า

เราก็แค่ 1600 เค้าแรงกว่าก็แซงไปเต๊อะ
Hunter_JIK.CZ48
AE Racing Club Staff
นักแข่งมืออาชีพอาวุโส
*****
ออฟไลน์ ออฟไลน์

เพศ: ชาย
กระทู้: 8,159


3S-GE Doraemonster 9X


ดูรายละเอียด
« ตอบ #10 เมื่อ: 22 พฤศจิกายน 2552 12:04:15 »

ใช่ครับถ้ามันไม่มีกล่องมันต่อแบบนั้นได้ แต่ว่ามันควรจะมีแวคคัมเสริมเพราะว่า รอบมันจะตกก่อนแล้วถึงจะขึ้นครับ

ที่ต่อแวคคัมนั้นละเพื่อช่วยเร่งรอบก่อนเพราะมันไม่ทันกัน แต่ถ้ามีกล่องแอร์มันจะสมบูรณ์สุดครับ

บางอู่ที่เขาต่อแวคคัมเพราะงี้แหละ...
บันทึกการเข้า

ガレージ7 タカラショップ¥¥¥んーーーー
นักแข่งมืออาชีพอาวุโส
********
ออฟไลน์ ออฟไลน์

เพศ: ชาย
กระทู้: 5,265


アンパンマン


ดูรายละเอียด เว็บไซต์
« ตอบ #11 เมื่อ: 22 พฤศจิกายน 2552 15:34:44 »

สงสัยว่า มันจะชดเชยรอบได้ทันกับหน้าคลัชคอมแอร์หรือ
รอบจะต้องตกมาก่อนขึ้น หรือว่าขึ้นก่อน

เพราะจริงแล้วต่อกล่องมันจะเป็นตัวหน่วงสัญญาณ ให้ เร่งรอบก่อนหน้าคลัชทำงาน

ลองดูครับ เดียวมาต่อกัน 

ไม่ทันครับ มันจะตกลงไปนิดๆ ราวๆ ครึ่งวินาทีแล้วเด้งขึ้นมา เดี๋ยวจะถ่ายมาให้ดูกันครับ

ตอนติดเครื่องใหม่ๆ แล้วเปิดแอร์มีอาการเร่งเยอะเกินไปนิด อยู่ 1200 รอบแล้วค่อยๆ ลงมาเอง พอขับๆ ไปก็หาย

แต่ตอนนี้คงต้องแบบนี้ไปก่อน สาเหตุจากผมไปเปลี่ยนคอมแอร์แบบไม่มีวัดรอบมาครับ ไม่งั้นหากล่องแอร์แท้ๆ มาใส่แน่ๆ

เกียร์ธรรมดา ไม่เท่าไรครับ แต่ถ้าเกียร์ auto นะ ตกลงมาถึง น็อก senser ต้องสั่งกล่องเพิ่มรอบ เลยนะครับ
เพราะเกียรื auto นะ ลำพัง load ที่ตัวเกียร์ ขนาดเข้าเกียร์นะ ก็มากพอสมควรอยู่แล้วนะครับ


ส่วนมากมาที่ผมแก่งานกลับไปนะครับ ก็คือการต่อแบบนี้ละครับ ปัญหาที่เคยเจอ บ้างที่นะ เวลากดคันเร่ง คอมแอรืไม่ตัดสุดท้ายหน้าคลัช กระจุยเลยละครับ ระวังด้วยนะครับ

เดียวไปถ่ายรูปให้ชมครับ
บันทึกการเข้า

fatmancute
นักแข่งมือสมัครเล่น
****
ออฟไลน์ ออฟไลน์

เพศ: ชาย
กระทู้: 323



ดูรายละเอียด
« ตอบ #12 เมื่อ: 22 พฤศจิกายน 2552 21:41:43 »

สงสัยว่า มันจะชดเชยรอบได้ทันกับหน้าคลัชคอมแอร์หรือ
รอบจะต้องตกมาก่อนขึ้น หรือว่าขึ้นก่อน

เพราะจริงแล้วต่อกล่องมันจะเป็นตัวหน่วงสัญญาณ ให้ เร่งรอบก่อนหน้าคลัชทำงาน

ลองดูครับ เดียวมาต่อกัน 

ไม่ทันครับ มันจะตกลงไปนิดๆ ราวๆ ครึ่งวินาทีแล้วเด้งขึ้นมา เดี๋ยวจะถ่ายมาให้ดูกันครับ

ตอนติดเครื่องใหม่ๆ แล้วเปิดแอร์มีอาการเร่งเยอะเกินไปนิด อยู่ 1200 รอบแล้วค่อยๆ ลงมาเอง พอขับๆ ไปก็หาย

แต่ตอนนี้คงต้องแบบนี้ไปก่อน สาเหตุจากผมไปเปลี่ยนคอมแอร์แบบไม่มีวัดรอบมาครับ ไม่งั้นหากล่องแอร์แท้ๆ มาใส่แน่ๆ

เกียร์ธรรมดา ไม่เท่าไรครับ แต่ถ้าเกียร์ auto นะ ตกลงมาถึง น็อก senser ต้องสั่งกล่องเพิ่มรอบ เลยนะครับ
เพราะเกียรื auto นะ ลำพัง load ที่ตัวเกียร์ ขนาดเข้าเกียร์นะ ก็มากพอสมควรอยู่แล้วนะครับ


ส่วนมากมาที่ผมแก่งานกลับไปนะครับ ก็คือการต่อแบบนี้ละครับ ปัญหาที่เคยเจอ บ้างที่นะ เวลากดคันเร่ง คอมแอรืไม่ตัดสุดท้ายหน้าคลัช กระจุยเลยละครับ ระวังด้วยนะครับ

เดียวไปถ่ายรูปให้ชมครับ
เคยเป็นมาแล้วกับสามเอสคับ คอมแอร์พัง3เดือนตัวนึงคับ
บันทึกการเข้า

lotto
มือเก่าหัดแข่ง
***
ออฟไลน์ ออฟไลน์

เพศ: ชาย
กระทู้: 215


4A-GE 20V Blacktop 5MT LSD


ดูรายละเอียด
« ตอบ #13 เมื่อ: 22 พฤศจิกายน 2552 22:53:34 »

ภาคสามครับ

นี่เป็นวงจรที่ผมต่อไปนะครับ



วงจรบนคือของเดิม ส่วนอันล่างก็ที่ทำไปครับ

หลักการทำงานคือกล่องแอร์เดิมจะเป็นคนสั่งตัด-ต่อตามอุณหภูมิ แต่ว่าจะต้องสั่งผ่านทางกล่องอีกที

เมื่ออากาศร้อน กล่องแอร์จะส่ง -12v มาทางสายเหลืองคาดน้ำเงินและน้ำเงินคาดดำไปยังแวคคั่มแอร์และคอมแอร์ตามลำดับ แต่รูปล่างนั้นผมให้ -12v จากเหลืองคาดน้ำเงินไปเข้ากล่องเครื่องที่ ac1 แทนเพื่อบอกกล่องเครื่องให้รู้ว่าสั่งให้คอมทำงานกะเร่งรอบเครื่องได้แล้วนะ แล้วกล่องเครื่องก็จะไปตัดสินใจของมันเองว่าจะให้คอมแอร์ทำงานไหม โดยจะสั่งผ่านทาง act โดยการตัดวงจร (ไม่มีไฟ)

เงื่อนไขตรงนี้ยากนิดเพราะที่ขั้ว act ยามปกติจะจ่าย -12v แต่ว่าเมื่อสั่งให้คอมทำงานจะเป็นการตัดวงจรแทน ไปต่อกะรีเลย์ปกติ (ที่เป็น n/o) ทำงานไม่ได้

เท้าความนิดครับ รีเลย์มันจะมี 2 แบบ คือแบบ n/o ทั่วไป คือมีไฟมาที่ขาสั่งการเมื่อไรก็จะต่อวงจร กับอีกแบบคือ n/c พิสดารๆ ที่เป็นพระเอกในงานนี้คือปกติจะต่อวงจรให้ แต่เมื่อมีไฟมาที่ขาสั่งการก็จะตัดวงจร

จะว่าหายากก็ไม่เชิงครับ เพราะมันมีมาในกล่องฟิวส์ ae100 นี่แหละ พอดีตอนวางเครื่องเปลี่ยนกล่องฟิวส์ใหม่ไป กล่องเก่าก็เลยเหลือๆ พระเอกของเราคือตัวสีเขียวครับ



ต่ออีกภาคนะครับ เริ่มยาวพิมพ์ลำบาก
บันทึกการเข้า

เราก็แค่ 1600 เค้าแรงกว่าก็แซงไปเต๊อะ
lotto
มือเก่าหัดแข่ง
***
ออฟไลน์ ออฟไลน์

เพศ: ชาย
กระทู้: 215


4A-GE 20V Blacktop 5MT LSD


ดูรายละเอียด
« ตอบ #14 เมื่อ: 22 พฤศจิกายน 2552 23:13:39 »

ภาคจบครับ

สังเกตนะครับว่าผมเอาสายเหลืองคาดดำ ไปต่อเข้าที่ขั้ว els2 ของ ecu ด้วย เพราะขั้วนั้นเป็นการบอกว่า ได้เปิดสวิทช์พัดลมแอร์แล้ว ซึ่งก็จะมีการชดเชยรอบให้ด้วย

ซึ่งเหลืองคาดดำ เมื่อยังไม่เปิดสวิทช์พัดลมแอร์ก็จะไม่มี +12v เมื่อเปิดก็จะมีครับ ไม่เกี่ยวว่าคอมแอร์ทำงานไหม

ยามปกติ เมื่อเปิดพัดลมแอร์แต่ ecu ยังไม่สั่งให้คอมแอร์ทำงานก็จะมีไฟ +12v จากสวิทช์พัดลมแอร์มาที่รีเลย์พร้อมกับไฟ -12v จากขั้ว act ของ ecu มาทำให้รีเลย์ทำงาน คือตัดวงจรคอมแอร์อยู่

วงจรด้านคอมแอร์นั้น ถ้าสังเกตดูจะเป็นการเอารีเลย์ไปต่อคั่นของเดิมไว้นะครับ (สายน้ำเงินคาดดำ)

ยามเมื่อ ecu สั่งให้คอมแอร์ทำงาน ก็จะตัดไฟที่ขั้ว act ออก ทำให้รีเลย์ไม่ทำงาน พร้อมกับต่อวงจรให้คอมแอร์ทำงาน



ยังต่อไม่ค่อยเรียบร้อยนะครับ รอไปเอาท่อหดที่ office ก่อน

เท่าที่ลองทดสอบ ยังไม่ได้ลองเหยียบทดสอบดูว่าตัดให้ไหมเพราะตอนนี้มันหนาวเหลือเกิน แถมเปิดแอร์แป๊ปๆ คอมแอร์ก็ตัดแล้ว แต่ว่าลองสตาร์ททั้งๆ ที่เปิดแอร์ ก็มีการหน่วงคอมแอร์ให้ทำงานเมื่อเครื่องติดเรียบร้อยแล้วครับ
« แก้ไขครั้งสุดท้าย: 22 พฤศจิกายน 2552 23:16:49 โดย lotto » บันทึกการเข้า

เราก็แค่ 1600 เค้าแรงกว่าก็แซงไปเต๊อะ
lotto
มือเก่าหัดแข่ง
***
ออฟไลน์ ออฟไลน์

เพศ: ชาย
กระทู้: 215


4A-GE 20V Blacktop 5MT LSD


ดูรายละเอียด
« ตอบ #15 เมื่อ: 22 พฤศจิกายน 2552 23:22:56 »

ทิ้งท้ายครับ

อันนี้ ยังตอนใช้แวคคั่มแอร์อยู่

http://www.youtube.com/watch?v=RRJQbA5uHYg

อันนี้ ต่อเข้ากล่อง ตามวงจร

http://www.youtube.com/watch?v=QTtbvGUc3M4
บันทึกการเข้า

เราก็แค่ 1600 เค้าแรงกว่าก็แซงไปเต๊อะ
ガレージ7 タカラショップ¥¥¥んーーーー
นักแข่งมืออาชีพอาวุโส
********
ออฟไลน์ ออฟไลน์

เพศ: ชาย
กระทู้: 5,265


アンパンマン


ดูรายละเอียด เว็บไซต์
« ตอบ #16 เมื่อ: 22 พฤศจิกายน 2552 23:31:37 »

สงสัยว่า มันจะชดเชยรอบได้ทันกับหน้าคลัชคอมแอร์หรือ
รอบจะต้องตกมาก่อนขึ้น หรือว่าขึ้นก่อน

เพราะจริงแล้วต่อกล่องมันจะเป็นตัวหน่วงสัญญาณ ให้ เร่งรอบก่อนหน้าคลัชทำงาน

ลองดูครับ เดียวมาต่อกัน 

ไม่ทันครับ มันจะตกลงไปนิดๆ ราวๆ ครึ่งวินาทีแล้วเด้งขึ้นมา เดี๋ยวจะถ่ายมาให้ดูกันครับ

ตอนติดเครื่องใหม่ๆ แล้วเปิดแอร์มีอาการเร่งเยอะเกินไปนิด อยู่ 1200 รอบแล้วค่อยๆ ลงมาเอง พอขับๆ ไปก็หาย

แต่ตอนนี้คงต้องแบบนี้ไปก่อน สาเหตุจากผมไปเปลี่ยนคอมแอร์แบบไม่มีวัดรอบมาครับ ไม่งั้นหากล่องแอร์แท้ๆ มาใส่แน่ๆ

เกียร์ธรรมดา ไม่เท่าไรครับ แต่ถ้าเกียร์ auto นะ ตกลงมาถึง น็อก senser ต้องสั่งกล่องเพิ่มรอบ เลยนะครับ
เพราะเกียรื auto นะ ลำพัง load ที่ตัวเกียร์ ขนาดเข้าเกียร์นะ ก็มากพอสมควรอยู่แล้วนะครับ


ส่วนมากมาที่ผมแก่งานกลับไปนะครับ ก็คือการต่อแบบนี้ละครับ ปัญหาที่เคยเจอ บ้างที่นะ เวลากดคันเร่ง คอมแอรืไม่ตัดสุดท้ายหน้าคลัช กระจุยเลยละครับ ระวังด้วยนะครับ

เดียวไปถ่ายรูปให้ชมครับ
เคยเป็นมาแล้วกับสามเอสคับ คอมแอร์พัง3เดือนตัวนึงคับ

ตอนทกสอบรอบเดินเบาไม่เป็นอะไรหรอกครับ แต่ตอนรอบสูงๆ เงื่อนไขการทำงาน บ้างอย่างการต่อแบบนี้ไม่สามารถทำได้ครับ

เดียวถ้าผมมีเวลาจะ scan หลักการทำงานมาให้ชมครับ ขอเวลาหน่อยครับ ช่วงนี้ไม่ค่อยมีเวลาเลยครับ
บันทึกการเข้า

SunBack
มือเก่าหัดแข่ง
***
ออฟไลน์ ออฟไลน์

เพศ: ชาย
กระทู้: 212



ดูรายละเอียด
« ตอบ #17 เมื่อ: 23 ตุลาคม 2553 05:54:00 »

สงสัยว่า มันจะชดเชยรอบได้ทันกับหน้าคลัชคอมแอร์หรือ
รอบจะต้องตกมาก่อนขึ้น หรือว่าขึ้นก่อน

เพราะจริงแล้วต่อกล่องมันจะเป็นตัวหน่วงสัญญาณ ให้ เร่งรอบก่อนหน้าคลัชทำงาน

ลองดูครับ เดียวมาต่อกัน 

ไม่ทันครับ มันจะตกลงไปนิดๆ ราวๆ ครึ่งวินาทีแล้วเด้งขึ้นมา เดี๋ยวจะถ่ายมาให้ดูกันครับ

ตอนติดเครื่องใหม่ๆ แล้วเปิดแอร์มีอาการเร่งเยอะเกินไปนิด อยู่ 1200 รอบแล้วค่อยๆ ลงมาเอง พอขับๆ ไปก็หาย

แต่ตอนนี้คงต้องแบบนี้ไปก่อน สาเหตุจากผมไปเปลี่ยนคอมแอร์แบบไม่มีวัดรอบมาครับ ไม่งั้นหากล่องแอร์แท้ๆ มาใส่แน่ๆ

เกียร์ธรรมดา ไม่เท่าไรครับ แต่ถ้าเกียร์ auto นะ ตกลงมาถึง น็อก senser ต้องสั่งกล่องเพิ่มรอบ เลยนะครับ
เพราะเกียรื auto นะ ลำพัง load ที่ตัวเกียร์ ขนาดเข้าเกียร์นะ ก็มากพอสมควรอยู่แล้วนะครับ


ส่วนมากมาที่ผมแก่งานกลับไปนะครับ ก็คือการต่อแบบนี้ละครับ ปัญหาที่เคยเจอ บ้างที่นะ เวลากดคันเร่ง คอมแอรืไม่ตัดสุดท้ายหน้าคลัช กระจุยเลยละครับ ระวังด้วยนะครับ

เดียวไปถ่ายรูปให้ชมครับ
เคยเป็นมาแล้วกับสามเอสคับ คอมแอร์พัง3เดือนตัวนึงคับ

ตอนทกสอบรอบเดินเบาไม่เป็นอะไรหรอกครับ แต่ตอนรอบสูงๆ เงื่อนไขการทำงาน บ้างอย่างการต่อแบบนี้ไม่สามารถทำได้ครับ

เดียวถ้าผมมีเวลาจะ scan หลักการทำงานมาให้ชมครับ ขอเวลาหน่อยครับ ช่วงนี้ไม่ค่อยมีเวลาเลยครับ

ขุดขึ้นมาเผื่อใครมีปัญหาจะได้อ่านกัน จะใช้แบบคุณ Lotto หรื่อเสี่ยแฟร์
บันทึกการเข้า

BacKiOh
นักแข่งมืออาชีพอันดับหนึ่ง
*******
ออฟไลน์ ออฟไลน์

กระทู้: 1,041



ดูรายละเอียด
« ตอบ #18 เมื่อ: 23 ตุลาคม 2553 06:50:43 »

ขอบคุณครับ
บันทึกการเข้า
BEUM
มือใหม่หัดซิ่ง
**
ออฟไลน์ ออฟไลน์

กระทู้: 86


ดูรายละเอียด
« ตอบ #19 เมื่อ: 23 พฤษภาคม 2554 08:15:47 »

UP
บันทึกการเข้า
หน้า: [1] 2  »    ขึ้นบน
  พิมพ์  
 
กระโดดไป:  

Powered by MySQL Powered by PHP Powered by SMF 1.1.21 | SMF © 2006-2008, Simple Machines | Thai language by ThaiSMF Valid XHTML 1.0! Valid CSS!